条文目次 このページを閉じる


○当別町表彰条例施行規則
昭和62年4月27日規則第11号
当別町表彰条例施行規則
(目的)
第1条 この規則は、当別町表彰条例(昭和61年当別町条例第25号。以下「条例」という。)の施行について必要な事項を定めることを目的とする。
(表彰の基準)
第2条 条例第4条に規定する規則で定める町政功労者賞並びに自治貢献賞、社会貢献賞、産業貢献賞及び教育文化貢献賞の表彰の基準は、別表のとおりとする。ただし、町政功労者賞中自治、社会、産業、教育文化関係貢献者のうち、次の各号の一に該当する場合は、町政功労者賞の対象としない。
(1) 調査日現在、現に在職していない者(町長、議会議員、副町長、地方自治法(昭和22年法律第67号)第180条の5の規定による各種委員及び町長が特に認めた者を除く。)
(2) 統計の規定により受賞した者
(3) 消防団員として受賞した者
2 条例第4条に規定する規則で定める善行賞の表彰の基準は、次の各号の一に該当する場合とする。
(1) 町の公益事業の促進に尽力し、又は公務を助力する等、苦労の割に人目につかず報いられることの少ない領域にあって、その業務等に精励し、他の模範となる者
(2) 町民の生命、身体及び財産を守り、防災に尽力し、他の模範となる者
(3) 寄附又は寄贈を行った者
イ 個人にあっては、50万円以上
ロ 団体にあっては、100万円以上。ただし、土地の寄贈については、330平方メートル以上とし、道路用地を除くものとする。
(4) その他、衆人の模範となるような奇特な行為があった者
3 町長は、前項の規定により5回以上にわたり善行賞の対象となった者に対し、その功績に応じ当別町表彰審議委員会(以下「委員会」という。)で審議の上、特別な表彰を行うことができるものとする。
4 町長は、前項の規定による特別な表彰を受賞した者が、翌年以降に新たに善行賞の対象となった場合には、特別な表彰を行うものとする。
5 前4項の基準に該当する者であっても、次の各号の一に該当する場合は、表彰の対象としないものとする。
(1) 第2項第3号の寄附のうち、当別町ふるさと寄附金要綱(平成20年当別町訓令第23号)に定めるふるさと寄附金の寄附者及び地域再生法(平成17年法律第24号)第13条の2の特例の適用を受ける寄附者(町長が特に認める場合を除く。)
(2) その他表彰するにふさわしくない者
(年数の算定基準)
第3条 前条第1項に規定する在職年数の計算は、次の各号による。
(1) 1月に満たない端数は、1月とする。
(2) 前後職を異にしたときは、年数に比例してこれを通算する。
(3) 在職年数が中断した場合であっても前後の年数を通算する。
(4) 同一期間に重任している期間については、年数の計算上有利な一方の職の期間とする。
(表彰者名簿等)
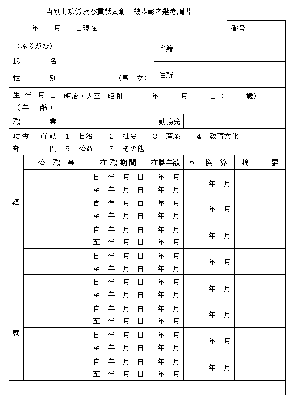
第4条 表彰者名簿は、別記様式1のとおりとする。
2 被表彰者選考調書は、別記様式2のとおりとする。
(委員会の所掌事項)
第5条 委員会は、条例第2条の規定に基づき町長の諮問に応じ、被表彰者の功績等について審議し、意見を答申するものとする。
(委員長及び副委員長)
第6条 委員会に、委員長1人、副委員長1人を置く。
2 委員長及び副委員長は、委員の互選により選出する。
3 委員長及び副委員長の任期は、2年とする。
4 委員長は、委員会を代表して、会務を処理する。
5 副委員長は、委員長を補佐し、委員長に事故あるときは、その職務を代理する。
(会議)
第7条 委員会の会議は、委員長が招集し、会議の議長には、委員長がなる。
2 会議は、委員の定数の半数以上をもって成立し、会議の議事は、出席委員の過半数をもって決し、可否同数のときは、委員長がこれを決する。
(庶務)
第8条 委員会の庶務は、総務課において処理する。
(感謝状の授与)
第9条 条例に該当しないもので、町長が町行政に寄与し、その功績が著しく感謝するに足ると認めた個人、又は団体に対して随時感謝状を授与することができる。ただし、現金寄附にあっては30万円以上とする。
(委任)
第10条 この規則に定めるもののほか、必要な事項は、委員会で協議し決定する。
附 則
1 この規則は、公布の日から施行し、昭和62年4月1日から適用する。
2 当別町町政功労者審議委員会規則(昭和44年当別町規則第23号)は、廃止する。
3 当別町表彰規則(昭和45年当別町規則第9号)は、廃止する。
4 当別町町政功労者待遇に関する規則(昭和50年当別町規則第1号)は、廃止する。
附 則(昭和62年9月1日規則第22号)
この規則は、公布の日から施行する。
附 則(平成元年10月19日規則第20号)
この規則は、公布の日から施行する。
附 則(平成3年2月18日規則第3号)
この規則は、公布の日から施行する。
附 則(平成6年12月30日規則第25号)
この規則は、公布の日から施行する。
附 則(平成9年8月18日規則第18号)
この規則は、平成9年9月1日から施行する。
附 則(平成12年3月31日規則第5号)
この規則は、平成12年4月1日から施行する。
附 則(平成13年9月1日規則第31号)
この規則は、平成13年9月1日から施行する。
附 則(平成14年3月28日規則第19号)
この規則は、平成14年4月1日から施行する。
附 則(平成14年8月30日規則第37号)
(施行期日)
1 この規則は、平成14年9月1日から施行する。
(経過措置)
2 この規則の施行の際、現に改正前の当別町表彰条例施行規則第2条の規定により町政功労者賞の対象となる者の表彰の基準については、改正後の当別町表彰条例施行規則第2条の規定にかかわらず、なお従前の例による。
附 則(平成15年10月7日規則第43号)
この規則は、平成15年10月7日から施行する。
附 則(平成19年3月30日規則第34号)
この規則は、平成19年4月1日から施行する。
附 則(平成25年3月29日規則第19号抄)
(施行期日)
1 この規則は、平成25年4月1日から施行する。
(当別町表彰条例施行規則の一部改正に伴う経過措置)
4 前項の規定による改正の際現に決定された農業集落排水施設事業受益者分担金については、改正後の当別町表彰条例施行規則第2条第4項第5号の規定にかかわらず、なお従前の例による。
附 則(平成26年8月27日規則第15号)
この規則は、平成26年9月1日から施行する。
附 則(平成28年8月31日規則第40号)
この規則は、平成28年9月1日から施行する。ただし、別表の改正規定は、平成28年10月1日から施行する。
附 則(平成30年8月31日規則第25号)
この規則は、平成30年9月1日から施行する。
附 則(令和3年9月27日規則第49号)
この規則は、令和3年10月1日から施行する。
附 則(令和5年8月25日規則第45号)
この規則は、令和5年9月1日から施行する。
別表(第2条関係)
町政功労者賞及び各貢献賞の表彰の基準

区分

表彰の対象

町政功労者賞

貢献賞

自治

(1) 町長

4年以上

対象外

(2) 議会議員

15年以上

10年以上

(3) 副町長

16年以上

14年以上

(4) 教育長

16年以上

14年以上

(5) 地方自治法第180条の5の規定による各種委員

16年以上

14年以上

(6) 消防団員

対象外

30年以上在職し退職した者

(7) その他本町の地方自治の進展に貢献し、その功績が顕著である者

25年以上

20年以上

社会

(1) 民生児童委員、保護司、人権擁護委員、行政相談員又は附属機関の委員

25年以上

20年以上

(2) 社会福祉の発展に尽力し、その功績が顕著である者

25年以上

20年以上

(3) 防犯又は交通安全等に尽力し、その功績が顕著である者

25年以上かつ、所

属団体等の長の経歴を有する者

20年以上

(4) 保健衛生又は環境衛生の進展に貢献し、その功績が顕著である者

25年以上

20年以上

(5) 統計調査員

対象外

25年以上

産業

(1) 農林、畜産、商工関係団体の長

20年以上

15年以上

(2) 農林、畜産、商工関係団体の役員又は附属機関の委員

25年以上かつ、所

属団体等の長の経歴を有する者

20年以上

(3) 産業の開発振興に貢献した者



教育文化

(1) 教育機関又は附属機関の委員

25年以上

20年以上

(2) 社会教育又は保健体育の指導者

25年以上かつ、所

属団体等の長の経歴を有する者

20年以上

(3) 教育文化の発展に貢献した者



備考 上記区分による貢献賞受賞者のうち、当該区分及び他の区分で功績を重ね、各区分の換算年数の合計が30年以上となるときは、町政功労者賞の対象とすることができるものとする。
別記第1号様式(第4条関係)
別記第2号様式(第4条関係)

別記第2号様式の2(第4条関係)
別記第2号様式の3(第4条関係)



このページの先頭へ 条文目次 このページを閉じる